Reparaciones en electrónica. Errores comunes los 7 principales.

isolation transformer

Errores comunes de Reparación de electrodomésticos

Muchos de nosotros hemos estado interesados ​​en la reparación de la electrónica desde una edad muy joven, pero para algunos, el interés podría haber comenzado al cumplir los 40 o incluso los 50. No importa cuál sea su edad, la reparación de la electrónica es divertida y esta afición, se puede convertir en beneficios si usted sabe qué hacer con su conocimiento. Es muy emocionante cuando descubres que la reparación de la electrónica es el campo que es el verdadero significado para usted. Día y noche se busca en la web para obtener más información sobre la reparación de la electrónica y la esperanza de ser capaz de entender y resolver los problemas de la electrónica. Usted está simplemente emocionados y el amor de reparación electrónica. Sin embargo, para un principiante para convertirse a nivel profesional, hay que evitar algunos errores que los principiantes siempre hacen. Abajo están los 7 errores más comunes que un principiante debe evitar.
1) No usar transformadores de aislamiento

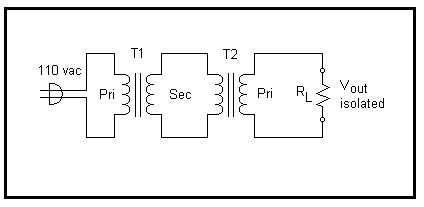
Un transformador de aislamiento es un transformador lineal, a menudo con devanados simétricos, que se utiliza para separar dos circuitos. Un transformador de aislamiento permite una señal de corriente alterna o tomar de un dispositivo y se introduce en otro dispositivo sin conectar eléctricamente los dos circuitos. Los Transformadores de aislamiento bloquean la transmisión de señales de DC de un circuito a otro, permitiendo que las señales de CA pasen. Los Transformadores de aislamiento también bloquean las interferencias causadas por los lazos de tierra.

En la electrónica de resolución de problemas, un transformador de aislamiento tiene una proporción de 1:1 que se utiliza como medida de seguridad (para eliminar el riesgo de descarga eléctrica para el dispositivo de chasis caliente como SMPS). Esto significa que en 240 VAC y de 240 VAC. También puede utilizar la configuración por ejemplo, dos 240: transformadores de 12V conectadas en la siguiente forma:

240: 12 V (T1) y 12 V de nuevo a 240 (T2).

Sin el transformador de aislamiento metálicos es un dispositivo bajo prueba se encuentra en un nivel de tensión peligrosos, en relación con objetos conectados a tierra como un cable de tierra del osciloscopio. Esto significa que si se conecta la tierra del osciloscopio para el lado primario de la fuente de alimentación conmutada (SMPS), que hará que el edificio viaje con el transformador, ya que no hay conexión entre los conductores del secundario del transformador y la tierra (suelo), no hay peligro de tocar una parte viva del circuito, mientras que otra parte del cuerpo está conectado a tierra (masa).
Si usted es nuevo en este campo, hágase un favor y obtenga un transformador de aislamiento. Recuerde que el transformador de potencia debe tener para manejar el poder de los equipos conectados a ella.

2) Encender el equipo y tomar las medidas

Si está muy seguro de lo que está haciendo, entonces puede proceder con este tipo de pruebas. Si usted es nuevo y sin guía, usted puede sentirse incómodo o que no tienen confianza a su vez en el set y llevar a cabo la tensión o la señal de prueba utilizando un multímetro u osciloscopio. Usted podría explotar el poder de IC y otros componentes, mientras que el control de la tensión de alimentación por un cortocircuito en el VCC (pin DC de alimentación) con el pasador de al lado.

Yo había oído personalmente a un joven técnico (hace muchos años cuando yo estaba trabajando) grito: "Quiero dejar este trabajo", simplemente porque se había quemado accidentalmente una sección de alimentación del monitor. Ese incidente muy asustado él debido a la fuerte explosión generada por su propio descuido mientras se realiza una medición de la tensión cuando el equipo estaba en encendido. Encontrar a alguien que tenga este tipo de experiencia que le muestre la forma correcta de hacerlo, de lo contrario puede crear más problemas de lo que quieres.

3) Sólo con un multímetro

LCD TV BACKLIGHT TESTER

Si quieres ser un solucionador de problemas de electrónica de éxito, entonces no se basan sólo en un único multímetro digital o analógica. Los metros más que usted tiene, más rápido se puede detectar un fallo. No hay manera que con sólo un multímetro con precisión puede poner a prueba todos los componentes electrónicos en una placa de circuito. Ya se ha demostrado que los componentes de diferentes necesitan diferentes tipos de medidores para comprobarlas. Para los condensadores electrolíticos, que necesita un medidor de ESR a prueba, para un LCD TV / Monitor de luz de fondo que necesita un medidor de luz de fondo para la prueba, etc. Si un componente es malo y su multímetro dice que es bueno, entonces usted nunca encontrará al culpable. No pierda su valioso tiempo más e invertir en la calidad de metros para acelerar el trabajo de reparación.

LED BACKLIGHT TESTER
4) No escribir la solución

Cada vez que se han resuelto un problema, usted tiene que escribir. Nuestro cerebro simplemente no puede recordar todos los problemas que hemos resuelto. Simplemente haciendo referencia a nuestras notas, con un chasquido de sus dedos, se puede resolver un problema complicado en cuestión de minutos o incluso segundos He aquí un consejo para usted sobre la forma de escribir las notas importantes.

Si han resuelto un "no poder" de los síntomas en un SMPS, no sólo escribe: "Ningún poder en el modelo A1234 y la solución es reemplazar el poder de IC y un condensador electrolítico". Este tipo de nota en realidad no le ayuda mucho cuando se hace referencia de nuevo a él. Tienes que escribir algo como: "Desde el UC3842 hoja de datos de energía IC, pin 7 debe tener alrededor de 12 a 16 VDC pero sólo encontró unos pocos voltios. Sustitución de la IC no soluciona el problema y la tensión de alimentación a la IC sigue siendo baja. Así que empecé a ver los componentes relacionados con la línea de tensión de alimentación y se encontró un condensador electrolítico (C2-47uf 50 VDC) había ESR alta. La sustitución de los dos componentes solucionaron en problema”.

Ahora no se detenga ahí. Continúe con sus notas dibujando una fuente de poder simple esquema de IC y demostrar que el condensador mal estaba conectado como se muestra en la foto de arriba.

5) Mala soldadura

SOLDER BRIDGE

Si usted es débil en su habilidad con el soldador, entonces le sugiero que pongas en práctica algún tiempo antes de solucionar un tablero real para su cliente. La razón de esto es simple. Para evitar que un puente de soldadura que podrían causar más daño a la placa. Yo he visto puentes de soldadura en varias ocasiones cuando los clientes me han dicho que el conjunto había sido reparado por alguien antes. Creo que el taller de reparación podría haber sido apenas está comenzando, porque después de retirar el puente de soldadura y reemplazar algunos componentes, el conjunto volvió a la vida otra vez.
Simplemente la práctica de las placas de circuitos basura y sentirse bien en la soldadura de modo que usted no va a añadir más problemas a la junta que se encuentra el problema. En YouTube.com, puede ver un montón de videos sobre la forma de videos de soldadura y también sobre la manera de eliminar los componentes SMD.


6) componentes mal instalados

Muchas veces he visto las placas de circuitos que no estén bien instalados los componentes. El técnico en realidad podría haber resuelto el problema, sino por su propia negligencia, el equipo no pudo ser reparado. Usted va a entender lo que quiero decir de las fotos a continuación:

Hay que tener mucho cuidado al quitar los componentes, asegurarse de que se vuelven a colocar en la posición correcta después de haber sido inspeccionado y declarado ser bueno. Existe la posibilidad de un fabricante podría haber marcado un componente mal, sin embargo, esto rara vez sucede. Por lo tanto, con el fin de evitar este tipo de error, antes de soldar a cualquier componente, asegúrese de ver las marcas en el primer tablero.

IC REVERSED

TRANSISTOR BAD

FET SHORTED
7) No hacer preguntas

Hacer preguntas no es un pecado por lo que no debe mantenerse a sí mismo. Los principiantes suelen tener un montón de cosas jugando en sus mentes como "la manera de comprobarlo", "cómo probar eso", "por qué este golpe de componentes", "lo que es la pieza de repuesto", etc. Usted debe tratar de encontrar primera respuesta ante la pregunta ya que esto hace que usted tenga que pensar. Si usted todavía no puede encontrar la respuesta, hay varios recursos en los que para obtener respuestas a sus preguntas. Usted puede enviar sus preguntas en un foro en línea, llamar a sus amigos o compañeros de curso de electrónica, pregunte a su profesor o su mentor, tiempos, etc. Muchos, hacer preguntas y obtener respuestas le permitirán ahorrar horas de frustración.
Conclusión - En realidad el artículo anterior no es sólo para principiantes, que está destinado para los reparadores experimentados también. Averigüe dónde son tus debilidades y aprender a mejorar para que su viaje para convertirse en un reparador profesional puede ser interrumpida. Lo más importante es su mentalidad. Un mal o mal de pensar que podría causar a la pereza, no tienen el pensamiento objetivo y negativos. Establecer su derecho de vía por tener la mentalidad correcta y podrás ver el éxito muy rápidamente.

Fuente:

carta de Noticias mensual de: http://www.electronicrepairguide.com/common-mistakes-in-electronics-repair.html

Comentarios

Publicar un comentario

Entradas populares de este blog

# 1 - C MOS VLSI Diseño: Circuitos y perspectiva de los sistemas de Neil Weste HE, David Harris, Ayan Banerjee

Problemas de alimentación en Hitachi 32 "TV LCD Resuelto